
- VK-BR üvegpalack mosógép
- VK-PF olajtöltő gép 4 fej
- VK-VC vákuumzáró gép
- VK-RPL kerek palackok címkézőgépe
A teljesen automatikus töltősor testreszabható az ügyfél igényeinek és a vevő által kínált mintáknak megfelelően. Az alábbiakban felsoroltuk az élelmiszeripari teljesen automatikus töltősor alapvető információit:
Üvegpalackok Levegőmosó gép Vákuumos mosóberendezés
Ez egy automata légi palackmosó gép. a kapacitás a légmosó fúvókáktól függ.
Légkompresszor szállítja a levegőt a vákuumtartályban, a gázt a mágnesszelepen és az iongenerátoron megtisztították, a légcsőgáz sampon a gázmosó száján keresztül fújja a gázt a palackokba, a gáznyomással fújja ki a gázmosó szájából az idegent, vissza a légcsőből kimerült füstgáz a kibocsátás-szabályozáson keresztül a szabadba.

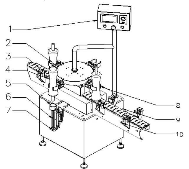
| 1 | Vezérlőpult | 2 | Palackok |
| 3 | Öv cumisüvegekhez | 4 | Érzékelő cumisüveges etetéshez |
| 5 | palack-rögzítő szerkezet | 6 | Öblítő injekció |
| 7 | Elektrosztatikus Tuyere | 8 | Palackok rögzítési pontja |
| 9 | Szíj a palackok kiadásához | 10 | Vezetőléc |
A forgó levegőmosó automata alapparaméterei üvegpalackokhoz:

Modell: VK-BR
Üvegbe illő: 20-1000 ml
Gyártási kapacitás: 8 tisztító fúvóka: 3600-4800 bph
Légnyomás tartomány: 6-8kg/cm2
Levegőfogyasztás: 25m3/h
Tápellátás: 220V 50/60Hz
Teljesítményfelvétel: 0,75 Kw
Egyetlen gép zaja: ≤70 dB
Tisztított levegő: 0,2μm
Tisztítási idő: 3-5 s
Nettó tömeg: 350 kg
Teljes méret: 1200 x 800 x 1600 mm
Olajtöltő gép 4 fejű lineáris töltőanyag

A mikroszámítógép által vezérelt 4 fejű olívatöltő gép a fotoelektromosságot pneumatikus működéssel kombinálja, így széles körben alkalmazható mezőgazdasági vegyszer, oldat, folyékony mosószer, kozmetikai és olajbogyó folyékony töltésére.
A töltési mennyiség precíz, habmentes és stabil. A gép 25-1000 ml folyadékkal tölti fel a folyadékot, miközben a palackok formájára nincs különösebb követelmény. Azaz a normál palackok és az irrugula alakú palackok folyadékát is meg tudja tölteni.

Modell: VK-PF
Töltési tartomány: 50-3000ml
Töltési sebesség: <20-30b/m (500-1000ml folyadékhoz)
Pontosság: ±1%
Tápellátás/tápellátás: 0,8kw、220v
Üzemi nyomás: 5~6kg/cm3
Levegőfogyasztás: 0,5-0,7 mpa
ÉNy: 500 kg
Külső méret: 2000×800×1900mm
Mark: A töltőfúvókák az ügyfelek igényei szerint tervezhetők és gyárthatók a töltési tartomány és a töltési sebesség tekintetében
Lineáris vákuumzáró gép Vk-Vc üvegek kupakjaihoz:
Ezt a lineáris kupakoló gépet több éves tapasztalattal rendelkező cégünk kutatja és fejleszti, egyedülálló a hazai piacon. Beépített automatikus kupak elrendezés burkolattal, vákuum kupakkal.
Elfogadott kézi vákuumszivattyú a nagy vákuum eléréséhez. A palack nélkül, nincs fedő funkciója, riasztó, ha nincs elérhető kupak. Élvezte a magas szintű automatizálást. A fő pneumatikus és elektromos alkatrészek világhírű márkáktól származnak.
Stabil és megbízható teljesítménnyel. Széles körben használják vaskupakos üvegedények vákuumzárására a konzervek, italok, fűszerek, egészségügyi termékek stb. iparában.

Teljesítmény: ≤2,3KW (a vákuumszivattyúval együtt)
Gyártási kapacitás: 50-60BPM
Kupak átmérője: ¢30-¢55mm¢50-¢85mm
Palack magassága: 80-250 mm
Palack átmérője: ¢30-¢85mm
Max vákuum: -0.08mpa
Fedezet torziója: 5-20N.M
Levegőfogyasztás: 0,6M3/0,7Mpa
A gép méretei: kb.3000×1000×1900mm
Súly: kb 850 kg
Vk-Rpl kerek palackok üvegek címkézőgépe

Alkalmazás: A membránhoz rögzített címke vagy termék kerületi felülete szükséges.
Ipar: Széles körben használják az élelmiszer-, gyógyszer-, kozmetikai, kozmetikai, elektronikai, fém-, műanyag- és más iparágakban.
Alkalmazás: PET kerek palackok címkézése, műanyag palackok, konzervek címkézése és így tovább.

Megfelelő címkehossz (mm): 20mm ~ 314mm
Alkalmazható címkeszélesség (hátlappapír szélessége / mm): 15 mm ~ 150 mm
Alkalmazható termékek átmérője (kerek palackhoz) és magassága: átmérő: φ25mm ~ φ100mm
Magasság: 25-230 mm
Alkalmazható szabványos tekercsátmérő (mm): φ280mm
Alkalmazható szabványos tekercsátmérő (mm): φ76mm
Címkézési pontosság (mm): ± 1mm
Normál sebesség (m/min): Szervo: 5-25m/perc Lépés: 5-19m/perc
Címkézési sebesség (db/perc): Lépés: 30 ~ 80db/perc (palackkal és címkemérettel)
Szervó: 40 ~ 120db/perc
Szállítószalag sebessége (m / perc): 5 ~ 25 m/min
Súly (kg): Körülbelül 185 kg
Frekvencia (HZ): 50HZ Feszültség (V): 220V
Teljesítmény (W): 530 W (vonólépcső) 980 W (vontatási szervo)
A készülék méretei (mm) (hosszúság × szélesség × magasság): 1950 × 1100 × 1300 mm


Fa tok csomagolása:

Vevőszolgálat a töltősorhoz

A fő alkatrészek minőségét 12 hónapon belül garantáljuk. Ha a fő alkatrészek egy éven belül meghibásodnak mesterséges tényezők nélkül, akkor azokat ingyenesen biztosítjuk vagy karbantartjuk Önnek. Egy év elteltével, ha alkatrészcserére van szüksége, a legjobb árat kínáljuk, vagy karbantartjuk az Ön webhelyén. Ha technikai kérdése van a használattal kapcsolatban, minden tőlünk telhetőt megteszünk, hogy támogassuk Önt.
Minőségi garancia:
A Gyártó garantálja, hogy az áruk a Gyártó legjobb anyagaiból, első osztályú kidolgozással készülnek, vadonatújak, nem használtak, és minden tekintetben megfelelnek a jelen szerződésben meghatározott minőségnek, specifikációnak és teljesítménynek. A minőségi garancia időtartama a B/L dátumától számított 12 hónapon belül van.
A gyártó a szerződéses gépeket a minőségi garanciális időszak alatt díjmentesen javíttatná.
Ha a meghibásodás a Vevő nem rendeltetésszerű használatából vagy egyéb okból következhet be, a gyártó beszámítja a javítási alkatrész költségét.
Telepítés és hibakeresés:
Az eladó elküldi mérnökeit, hogy utasítsák a telepítést és a hibakeresést. A költségek a vevőt terhelik (oda-vissza repülőjegyek, szállásdíjak a vevő országban). A vevőnek segítséget kell nyújtania a helyszínen a telepítéshez és a hibakereséshez.









