
- Kupakfejek: 2db szervo-moto vezetés
- Feszültség: 220V, 50/60HZ;
- Teljesítmény: 3.0Kw
- Légnyomás: 0,5-0,7 Mpa
- Amper: 8,5A
- Sebesség: 40-45/perc (testreszabva az üvegek alakja és mérete szerint)
- Megfelelő termék átmérő: φ28-φ125mm fedelek (nem szabványos testreszabott)
- Tömszelence áthaladási aránya: ≥99,5% (a fedél és a palack hibájától függően)
- A gép mérete: 3300*1150mm*1908mm
- Súly: 450 kg
Mielőtt bekapcsolná a gépet. Kérjük, figyelmesen olvassa el ezt a kézikönyvet a biztonság és a gép helyes használata érdekében. A személyi balesetek elkerülése és a gépkárosodások gyakoriságának csökkentése érdekében.
Maró hatású termékek esetén ügyeljen arra, hogy a korrozív tárgyak ne érjenek hozzá vagy fröccsenjenek rá a gépre és a személyzetre.
- Kerülje a gép használatát rezgésnek vagy ütközésnek kitett helyen.
- Amikor a gép működik, a személyzet teste nem érintheti a mozgó alkatrészeket.
- A gépet kerülni kell a túl nedves helyeken. Illessze be a tápegységbe, a földelő vezeték megfelelően földelve, a biztonsági balesetek elkerülése érdekében.
- A kezelőnek meg kell őriznie normál fizikai és mentális állapotát. Ha alkoholt, altatót vagy egyéb, a mentális állapotát károsító kábítószert szed, hagyja abba a gép kezelését.
- A kezelőnek megfelelő ruházatot kell viselnie, hogy elkerülje a ruházatnak a gördülő alkatrészekben való érintettsége által okozott sérüléseket, és nem helyezhet semmilyen idegen tárgyat a gépre.
- Ha zaj vagy egyéb rendellenesség lép fel a használat során, azonnal álljon meg és ellenőrizze. A nem mérnöki technikusok, kérjük, ne helyezzenek át önkényesen gépalkatrészeket.
- Rendszeres (heti/heti) karbantartás és gondozás, kerülje a víz vagy bármilyen folyadék fröccsenését, valamint az elektronikus vezérlődobozokat vagy más elektromos alkatrészeket a gép tisztítása során.
- Kérjük, a normál működési eljárások szerint működjön, és tartsa tisztán és rendben a gép felületét.
A capper gépet mindenféle kozmetikai, gyógyszeres, állatgyógyászati, peszticid-, kenőolaj- és egyéb ipari területen alkalmazzák a csomagolási folyamat során.





A tégelyzáró gép elve és jellemzői:
- Elektromos automatikus vezérlés, stabil;
- A lezáró pozicionáló eszközzel, a szabványos zárt fedéllel a kezelés kényelmes;
- A zár széles skáláját fedi le, különféle formájú sapkát forgathat;
- A sebességkorlátozás, a pörgés börtöne, egyidejűleg szükség szerint módosítani is lehet a visszatekerés feszességét.


A kozmetikai üvegek kupakoló gépének alapvető paraméterei:

1. Lezáró fejek: 2db szervo-moto vezetés
2. Feszültség: 220V, 50/60HZ;
3. Teljesítmény: 3.0Kw
4. Légnyomás: 0,5-0,7 Mpa
5. Amper: 8,5A
6. Sebesség: 40-45/perc (testreszabva az üvegek alakja és mérete szerint)
7. Megfelelő termék átmérő: φ28-φ125 mm fedők (nem szabványos testreszabott)
8. Tömszelence áthaladási aránya: ≥ 99,5% (a fedél és a palack hibájától függően)
9. A gép mérete: 3300*1150mm*1908mm
10. Súly:450kg
Gazdarész leírása


Tápkapcsoló: A tápellátás be---ki vezérlése.
Bekapcsolásjelző: bekapcsolás – zöld fény világít, kikapcsolás – zöld fény nem világít.
Vészleállítás: A gép azonnali leállítására vagy a funkció visszaállítására szolgál vészhelyzet vagy hiba esetén.
1. Indítsa el a fotoelektromosságot: A gép üzemben van, amikor a fotoelektromos érzékelés érzékeli, hogy van palack és fedős, A forgótányér elkezdhet dolgozni. Ha a két fotoelektromos elem egyike nem érzékelhető, a forgótányér nem forog.
2. Eredeti fotoelektromos: A léptetőmotor vezérlésére szolgál a forgótányér pozicionálására, hogy az üveget simán be lehessen helyezni a fedélbe.
3. Kupak fotoelektromossága: Ellenőrizze, hogy a fedél a helyén van-e, és fotoelektromosan észleli, hogy van-e forgatható fedőlemez.
4. Fedél fotoelektromossága: A felső takarógép indításának és leállításának vezérlése, amikor a felső takarógép által biztosított burkolatot a fotoelektromos által érzékelt pozícióba rendezzük, a fotoelektromosság mindig fényes, a takarógép leáll a burkolathoz, és megvalósul az intelligens burkolat .
5. Zárfedél fotoelektromossága: Amikor a fedeles palack áthalad, a fotoelektromos érzékelés érzékeli, és a zárfedelet a beállított késleltetési időnek megfelelően működteti (a konkrét paraméterek a szállítószalag sebességének megfelelően kerülnek beállításra a gép beállításakor).
6. Zárfedél rendszer: A fedeles palack megegyezik, a fotoelektromos indítás késleltetése, késleltetés a hengeres szorítópalackhoz, a zársapka leengedve, a markolat fedele - a csavaros kupak - a megfogó kioldása - a zársapka felemelkedik - a klippalack meglazul, és a zársapka folyamata befejeződött.A zárfedélben, amikor az 1# zárfedél a zárfedélben van, egy másik palack lép be. Ekkor a 2#-os szorítópalack henger elmozdul, és a 2#-os zárfedél aktiválódik a fedél lezárásához. (Ha a 2#-os zárfej által reteszelt kupak áthalad az 1#-os csíptetős palackon, ne ismételje meg a zárfedél.

Az ember-gép interfész leírása

Boot oldal
3.1 A rendszerindító oldalon van angol, kínai műveletválasztás, ha a kínai gombot választja, lépjen be a következő felületre:

Második interfész
Stop: Az egész gép indítókapcsolója, nyomja meg ezt a gombot, a gép automatikus üzemmódban működik, nyomja meg ismét ezt a gombot, a gép leáll.
Tesztkapu: Tesztelje a gép működését.
A lemezjátszó sebessége: Minél nagyobb a sebesség paraméter, annál nagyobb a sebesség, annál lassabb a sebességparaméter. (De van egy maximális korlát.)
A lemezjátszó késleltetése: A lemezjátszó indítási idejének beállításai, a lemezjátszó sima működésének megfelelően beállítva.
Korlátozási késleltetés: A forgótányér után a kijelölt állomásra késleltesse a várakozási időt, a hengerműködtető sapkát.
Lezárási idő: A henger tömítéséhez szükséges idő.
Kimenet: Töltse ki a zárfedél számának nyilvántartását, kényelmes gyártási számot. Nyomja meg a reset gombot a törléshez.
X1. X3. X14: Ellenőrizze, hogy a fotoelektromos munkaállapotban van-e a visszaverődés, jól látható a gép állapotának működése,
Korlátozó paraméter: Nyomja meg ezt a gombot, és lépjen be a következő felületre:

Az interfész egy paraméteroldal, amelyet az 1 #-os zárfej minden egyes műveletéhez be kell állítani a szervozárfedél rendszerben, a paraméterek ésszerű beállítása a gép stabilitását és a hatékonyság növelését szolgálja.
Visszatérés: Nyomja meg ezt a gombot a második interfészhez való visszatéréshez.
I/O: Nyomja meg ezt a gombot a következő felületre való belépéshez:

X sorozat pontjai: A bemeneti pont annak észlelésére, hogy a fotoelektromos egység működőképes-e, könnyen áttekinthető a gép működése, könnyű karbantartás.
Y sorozat pontjai: A visszacsatolás normál állapotának végrehajtó komponenseinek kimeneti pontja, manuálisan is megnyomhatja a vezérlőgombot, hogy ellenőrizze, hogy a végrehajtási összetevők normálisak-e.
Kupak adagoló rendszer: Stabil és rendezett lehet az előírt burkolati irány szerint.
Dőlés beállítása: ésszerű szögben állítható, hogy ellenőrizzék a hátrameneti fedél nem mászik be a csúszdába.
Frekvenciaváltó szabályozás: szabályozza a burkolat sebességét.


Üvegzáró berendezés karbantartása:
1. A biztonság biztosítása érdekében tartsa a gépet kikapcsolt és gázmentes állapotban. Tartsa a gépet tisztán és rendben, ne helyezze a gépen egyéb apró tárgyakat, tartozékokat, csavarokat stb.
2. A kenőolajat rendszeresen adagolják a mozgó alkatrész-mechanizmushoz, hogy biztosítsák a mechanizmus jó működését.
3. Rendszeresen engedje ki a vizet a levegőszűrő egységből, és adjon hozzá kenőolajat a henger megfelelő használatának és az élettartam meghosszabbításának érdekében.
4. Rendszeresen ellenőrizze és javítsa meg a gépet. Mérje meg a berendezés működési állapotát látás és fül alapján, hogy megbizonyosodjon arról, hogy a gép jól működik.
Jegyzet: Kérjük, szigorúan az utasításoknak megfelelően használja és tartsa karban, a garanciális időn belül szigorúan tilos kinyitni és szétszerelni, ellenkező esetben az ebből eredő károk emberi károk, ingyenes javítás nélkül. Ez az utasítás előzetes értesítés nélkül változhat; Ha továbbra is bármilyen bizonytalanság van a gép működésével kapcsolatban, kérem hívjon minket bármikor
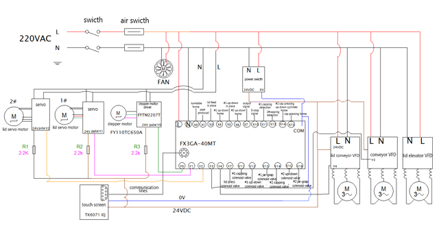
Mellékelt elektromos kapcsolási rajz:

A kész lezárt kupakok minták az edényzáró gépről:





Jelek: mert a szögletes fekete üvegek a kupakok miatt karcosodhatnak, felszedő rendszerrel van kialakítva, hogy kihúzza az üvegek kupakját a tálcákból és a kupakolásra kész állomásra helyezze a kupakzárási folyamathoz. A részletes működési elvet a következőképpen szemléltetjük: Munkafolyamat:
1. A kupakok kézi behelyezése a tálcába (15*15 vagy 10*10)

2. A tálcák behelyezése a felszedő állomásra
3. Robotok felszedik az üvegeket

4. A palackok elhelyezése és a lezárási folyamat befejezése
5. Lezárt üvegek kimenet











